БО 97.4
Характеристики изделия:
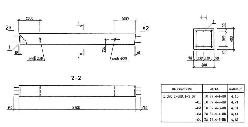
| Параметр | Значение |
|---|---|
| длина | 9980 мм |
| ширина | 400 мм |
| высота | 400 мм |
| масса | 4520 кг |
| нормативный документ | Серия 1.020.1-3пв |
Цена:
Рассчитать стоимостьБО 97.4 Балки обвязочные Серия 1.020.1-3пв.
| Параметр | Значение |
|---|---|
| длина | 9980 мм |
| ширина | 400 мм |
| высота | 400 мм |
| масса | 4520 кг |
| нормативный документ | Серия 1.020.1-3пв |
БО 97.4 Балки обвязочные Серия 1.020.1-3пв.