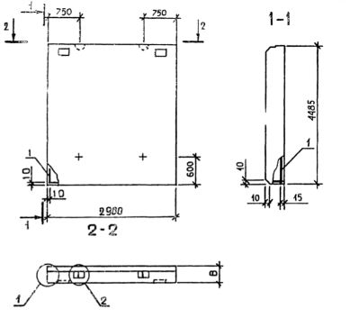
ПСЦ 30.45.25
Характеристики изделия:
| Параметр | Значение |
|---|---|
| длина | 2980 мм |
| ширина | 4485 мм |
| высота | 250 мм |
| масса | 4480 кг |
| нормативный документ | Серия 1.020.1-3пв |
Цена:
Рассчитать стоимостьПСЦ 30.45.25 Панели стеновые цокольные Серия 1.020.1-3пв.
| Параметр | Значение |
|---|---|
| длина | 2980 мм |
| ширина | 4485 мм |
| высота | 250 мм |
| масса | 4480 кг |
| нормативный документ | Серия 1.020.1-3пв |
ПСЦ 30.45.25 Панели стеновые цокольные Серия 1.020.1-3пв.