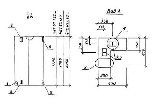
ПС 67.120.35 панели стеновые

Чертеж изделия:
Характеристики изделия:
ПараметрЗначение
длина670 мм
ширина350 мм
высота1185 мм
масса580 кг
нормативный документСерия 1.030.1-1/88

ПС 67.120.35  Панели стеновые Серия 1.030.1-1/88.