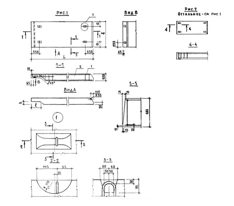
ПРТ 48.18.20
Характеристики изделия:
| Параметр | Значение |
|---|---|
| длина | 4780 мм |
| ширина | 1780 мм |
| высота | 200 мм |
| масса | 2240 кг |
| нормативный документ | Серия 1.165.1-12 |
Цена:
Рассчитать стоимостьПРТ 48.18.20 Плиты покрытия плоские для зданий с теплым чердаком Серия 1.165.1-12.