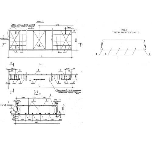
П 60.10

Чертеж изделия:
Характеристики изделия:
ПараметрЗначение
длина5980 мм
ширина990 мм
высота220 мм
вес3198 кг
серия1.243-3

П 60.10 Плиты перекрытия беспустотные по серии 1.243-3.