ПШЛ 63-33
Характеристики изделия:
| Параметр | Значение |
|---|---|
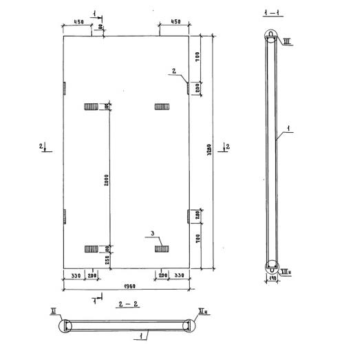
| длина | 1960 мм |
| ширина | 140 мм |
| высота | 3280 мм |
| вес | 2250 кг |
| серия | 1.289.1-2 |
Цена:
Рассчитать стоимостьПШЛ 63-33 Панели шахт лифтов по серии 1.289.1-2.
| Параметр | Значение |
|---|---|
| длина | 1960 мм |
| ширина | 140 мм |
| высота | 3280 мм |
| вес | 2250 кг |
| серия | 1.289.1-2 |
ПШЛ 63-33 Панели шахт лифтов по серии 1.289.1-2.
