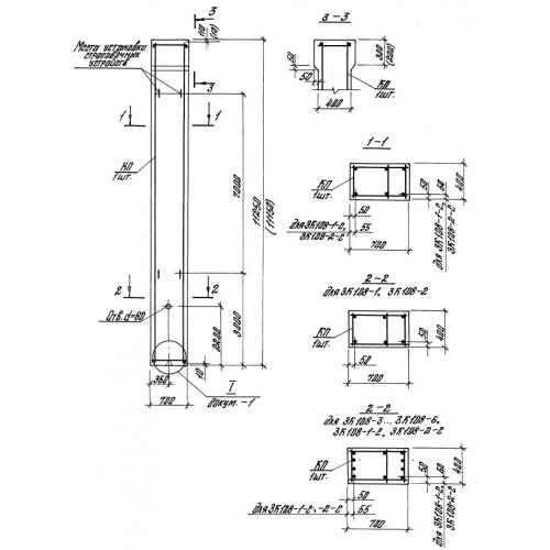
3К 108 колонны

Чертеж изделия:
Характеристики изделия:
ПараметрЗначение
длина11250 мм
ширина400 мм
высота700 мм
масса8000 кг
нормативный документСерия 1.423.1-5/88

3К 108 Колонны  Серия 1.423.1-5/88.