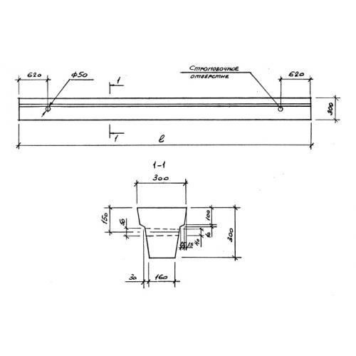
2БФ 3

Чертеж изделия:
Характеристики изделия:
ПараметрЗначение
длина2950 мм
ширина300 мм
высота300 мм
вес500 кг
серия1.815.1-1

2БФ 3 Балки фундаментные по серии 1.815.1-1.