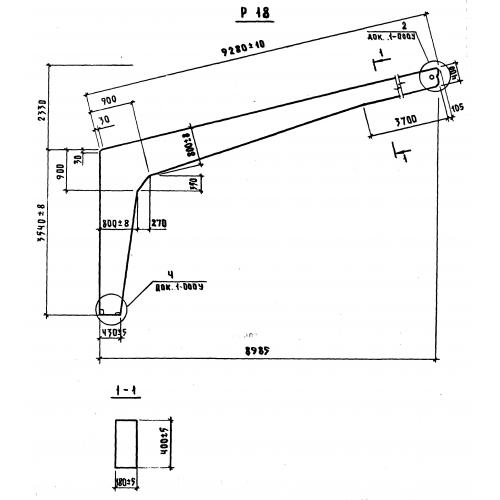
Р 18

Чертеж изделия:
Характеристики изделия:
ПараметрЗначение
длина9280 мм
ширина180 мм
высота5870 мм
вес3090 кг
серия1.822.1-5

Р 18 Полурамы составные по серии 1.822.1-5.