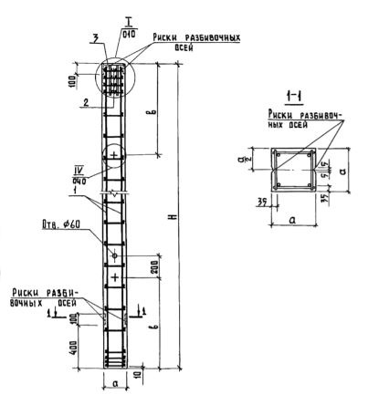
1К 45 колонны

Чертеж изделия:
Характеристики изделия:
ПараметрЗначение
длина4500 мм
ширина400 мм
высота400 мм
масса1800 кг
нормативный документСерия 1.823.1-2

1К 45  Колонны для крайнего ряда Серия 1.823.1-2.