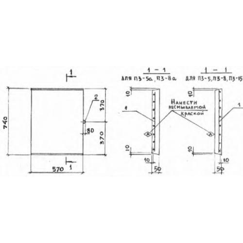
П 3

Чертеж изделия:
Характеристики изделия:
ПараметрЗначение
длина740 мм
ширина570 мм
высота50 мм
вес50 кг
серия3.006-2

П 3 Плиты перекрытия лотков по серии 3.006-2.