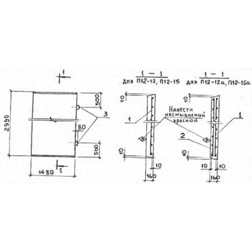
П 12

Чертеж изделия:
Характеристики изделия:
ПараметрЗначение
длина2990 мм
ширина1480 мм
высота160 мм
масса1770 кг
нормативный документСерия 3.006.1-2/82

П 12  Плиты перекрытия лотков Серия 3.006.1-2/82.