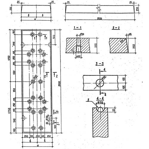
ПФ 35.10 Плиты фундаментов под трансформаторы
Характеристики изделия:
| Параметр | Значение |
|---|---|
| длина | 3500 мм |
| ширина | 1000 мм |
| высота | 250 мм |
| масса | 2190 кг |
| нормативный документ | Серия 3.407.1-157 |
Цена:
Рассчитать стоимостьПФ 35.10 Плиты фундаментные по Серии 3.407.1-157.
