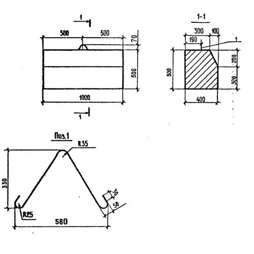
У-1 блок бетонного упора

Чертеж изделия:
Характеристики изделия:
ПараметрЗначение
длина1000 мм
ширина400 мм
высота500 мм
вес475 кг
нормативный документСерия 3.503.9-78

У 1  Блоки бетонного упора по Серии 3.503.9-78.