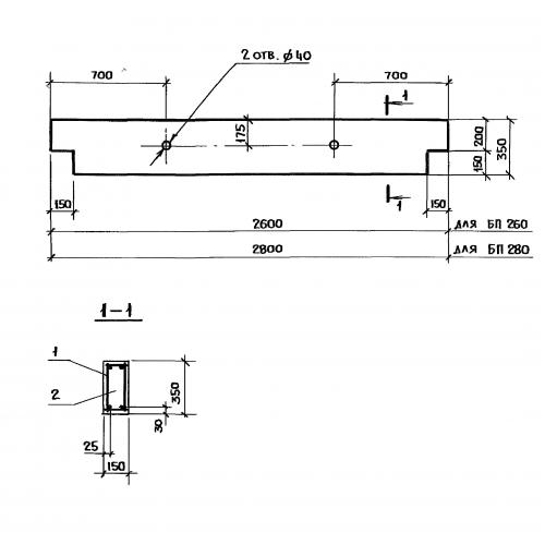
БП 280

Чертеж изделия:
Характеристики изделия:
ПараметрЗначение
длина2800 мм
ширина150 мм
высота350 мм
вес350 кг
серия3.818.9-2

БП 280 Балки перекрытия каналов по серии 3.818.9-2.