ПП 5-10
Характеристики изделия:
| Параметр | Значение |
|---|---|
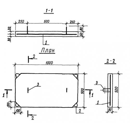
| длина | 1000 мм |
| ширина | 500 мм |
| высота | 60 мм |
| масса | 72,5 кг |
| нормативный документ | Серия 3.820-6 |
Цена:
Рассчитать стоимостьПП 5-10 Плиты плоские прямоугольные по Серии 3.820-6.
| Параметр | Значение |
|---|---|
| длина | 1000 мм |
| ширина | 500 мм |
| высота | 60 мм |
| масса | 72,5 кг |
| нормативный документ | Серия 3.820-6 |
ПП 5-10 Плиты плоские прямоугольные по Серии 3.820-6.
