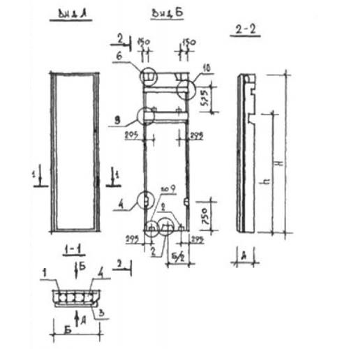
ВНП 15-41-4 наружные стеновые панели

Чертеж изделия:
Характеристики изделия:
ПараметрЗначение
длина4075 мм
ширина1490 мм
высота400 мм
масса2680 кг
нормативный документСерия КУБ 2.5

ВНП 15-41-4  Вертикальные наружные стеновые панели Серия КУБ 2.5.