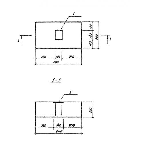
МЖ 3-7

Чертеж изделия:
Характеристики изделия:
ПараметрЗначение
длина640 мм
ширина380 мм
высота220 мм
вес133 кг
серияТП 310-4-1

МЖ 3-7 Малые железобетонные архитектурные формы по проекту ТП 310-4-1.