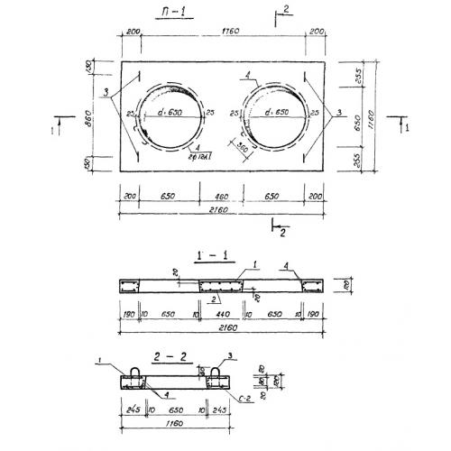
П-1

Чертеж изделия:
Характеристики изделия:
ПараметрЗначение
длина2160 мм
ширина120 мм
высота1160 мм
вес670 кг
серияТП 310-4-1

П-1 Плиты перекрытий по проекту ТП 310-4-1.